Suppr超能文献

基于物质流分析的一次性口罩中含聚丙烯纤维微塑料释放评估:环境介质中分布特征研究。

Material flow analysis-based assessment of polypropylene-fiber-containing microplastics released from disposable masks: Characterizing distribution in the environmental media.

机构信息

Department of Environmental Engineering, University of Seoul, 163 Seoulsirip-daero, Dongdaemun-gu, Seoul 02504, Republic of Korea.

Department of Environmental Engineering, University of Seoul, 163 Seoulsirip-daero, Dongdaemun-gu, Seoul 02504, Republic of Korea; Department of Environmental Health, Korea Environment Institute, 370 Sicheong-daero, Sejong 30147, Republic of Korea.

出版信息

Sci Total Environ. 2023 Sep 20;892:164803. doi: 10.1016/j.scitotenv.2023.164803. Epub 2023 Jun 9.

Abstract

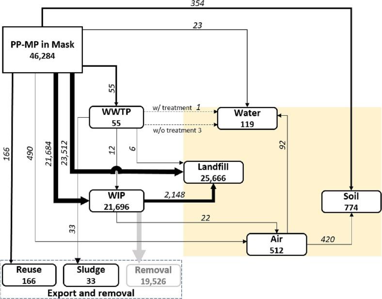
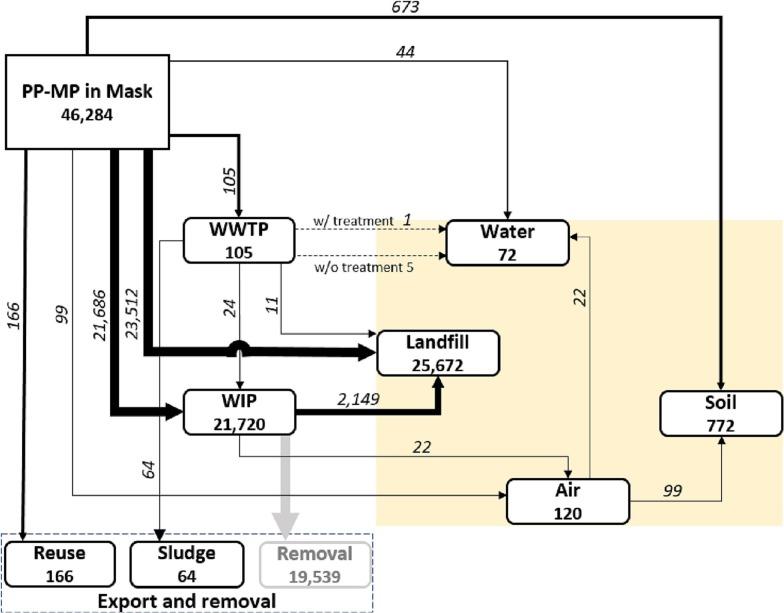
With the upsurge in the use of disposable masks during the coronavirus disease pandemic, improper disposal of discarded masks and their negative impact on the environment have emerged as major issues. Improperly disposed of masks release various pollutants, particularly microplastic (MP) fibers, which can harm both terrestrial and aquatic ecosystems by interfering with the nutrient cycling, plant growth, and the health and reproductive success of organisms. This study assesses the environmental distribution of polypropylene (PP)-containing MPs, generated from disposable masks, using material flow analysis (MFA). The system flowchart is designed based on the processing efficiency of various compartments in the MFA model. The highest amount of MPs (99.7 %) is found in the landfill and soil compartments. A scenario analysis reveals that waste incineration significantly reduces the amount of MP transferred to landfills. Therefore, considering cogeneration and gradually increasing the incineration treatment rate are crucial to manage the processing load of waste incineration plants and minimize the negative impact of MPs on the environment. The findings provide insights into the potential environmental exposure associated with the improper disposal of waste masks and indicate strategies for sustainable mask disposal and management.

摘要

随着新冠病毒疾病大流行期间一次性口罩的使用热潮,废弃口罩的不当处理及其对环境的负面影响已成为主要问题。处理不当的口罩会释放出各种污染物,特别是微塑料(MP)纤维,这些纤维会通过干扰营养循环、植物生长以及生物的健康和繁殖成功,对陆地和水生生态系统造成危害。本研究使用物质流分析(MFA)评估了由一次性口罩产生的含聚丙烯(PP)的 MPs 在环境中的分布。该系统流程图是根据 MFA 模型中各个隔室的处理效率设计的。结果表明,MPs 主要分布在垃圾填埋场和土壤中(99.7%)。情景分析表明,废物焚烧可显著减少转移到垃圾填埋场的 MP 数量。因此,考虑联合发电并逐渐提高焚烧处理率对于管理废物焚烧厂的处理负荷和最大限度地减少 MPs 对环境的负面影响至关重要。本研究结果深入了解了废弃口罩不当处理所带来的潜在环境暴露风险,并为可持续的口罩处理和管理提供了相关策略。

https://cdn.ncbi.nlm.nih.gov/pmc/blobs/f61d/10251720/adfa20a620d1/ga1_lrg.jpg

文献AI研究员

20分钟写一篇综述,助力文献阅读效率提升50倍。

立即体验

用中文搜PubMed

大模型驱动的PubMed中文搜索引擎

马上搜索

文档翻译

学术文献翻译模型,支持多种主流文档格式。

立即体验