Suppr超能文献

无糖益生菌凝胶糖果联合天然纳米益生元添加剂的抗菌斑和再矿化效果的实验室评估。

Laboratory evaluation of anti-plaque and remineralization efficacy of sugarless probiotic jelly candy supplemented with natural nano prebiotic additive.

机构信息

Restorative and Dental Materials Department, Oral and Dental Research Institutes, National Research Centre, 33 El Bohouth St., Dokki, Giza, 12622, Egypt.

Dairy Department, Food Industries and Nutrition Research Institute, National Research Centre, 33 El Bohouth St., Dokki, Giza, 12622, Egypt.

出版信息

Sci Rep. 2023 Jul 6;13(1):10977. doi: 10.1038/s41598-023-37645-5.

Abstract

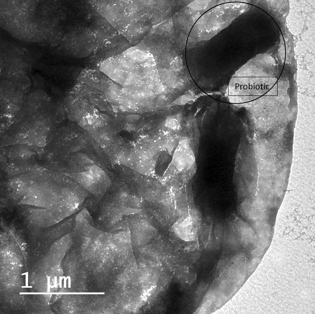
We evaluated the anti-cariogenic effect of an experimental synbiotic compound containing probiotic Lacticaseibacillus rhamnosus (NRRL B-442)-based jelly candy supplemented with natural prebiotic grape seed extract (GSE) in a nanoemulsion formula on the colonization and establishment of Streptococcus mutans (ATCC 25175) and Actinomyces viscosus (ATTCC 19246) biofilms through counting colony forming units, scanning electron microscopy (SEM), and transmission electron microscopy (TEM). We were then analysing the remineralizing effect of synbiotic jelly candy on human enamel surface lesions using Vickers microhardness testers, atomic force microscopy (AFM), SEM, energy-dispersive X-ray spectroscopy (EDAX), and confocal laser scanning microscopy (CLSM) at three stages (sound, after demineralization, and after pH cycling). We found after 21 days of treatment of the pH-cycled enamel discs with jelly candy for 10 min twice daily, a 68% decrease in S. mutans colony formation, reducing biofilm development, trapping S. mutans visualized in jelly candy under SEM examination, and significantly altering the morphological structure of these bacteria under TEM analysis. For remineralization measurements, statistically significant differences in microhardness integrated mineral loss, and lesion depth through CLSM between demineralization and treatment stages. These findings provide an effective anti-cariogenic synbiotic compound of grape seed extract and probiotic jelly candy with potential remineralizing activity.

摘要

我们评估了一种实验性共生化合物的抗龋效果,该化合物含有益生菌鼠李糖乳杆菌(NRRL B-442)为基础的果冻糖果,补充天然益生元葡萄籽提取物(GSE)在纳米乳液配方中对变异链球菌(ATCC 25175)和黏性放线菌(ATTCC 19246)生物膜的定植和建立的影响,通过计数菌落形成单位、扫描电子显微镜(SEM)和透射电子显微镜(TEM)。然后,我们使用维氏硬度测试仪、原子力显微镜(AFM)、SEM、能谱(EDAX)和共聚焦激光扫描显微镜(CLSM)在三个阶段(健康、脱矿后和 pH 循环后)分析共生果冻糖果对人牙釉质表面病变的再矿化效果。我们发现,在 pH 循环的牙釉质圆盘上用果冻糖果处理 21 天后,每天两次处理 10 分钟,可使变异链球菌的菌落形成减少 68%,减少生物膜的形成,在 SEM 检查下捕获果冻糖果中的变异链球菌,并在 TEM 分析下显著改变这些细菌的形态结构。对于再矿化测量,CLSM 显示脱矿化和处理阶段之间的微观硬度综合矿物质损失和病变深度有统计学显著差异。这些发现提供了一种有效的抗龋共生化合物,由葡萄籽提取物和益生菌果冻糖果组成,具有潜在的再矿化活性。

https://cdn.ncbi.nlm.nih.gov/pmc/blobs/37b7/10326239/01c5dd27c54e/41598_2023_37645_Fig1_HTML.jpg

文献AI研究员

20分钟写一篇综述,助力文献阅读效率提升50倍。

立即体验

用中文搜PubMed

大模型驱动的PubMed中文搜索引擎

马上搜索

文档翻译

学术文献翻译模型,支持多种主流文档格式。

立即体验