Suppr超能文献

西西里岛东部家畜中抗生素耐药性的广泛范围和基因型谱的变异性

The Wide Range of Antibiotic Resistance and Variability of Genotypic Profiles in from Domestic Animals in Eastern Sicily.

作者信息

Russo Nunziatina, Stamilla Alessandro, Cascone Giuseppe, Randazzo Cinzia Lucia, Messina Antonino, Lanza Massimiliano, Pino Alessandra, Caggia Cinzia, Antoci Francesco

机构信息

Dipartimento di Agricoltura, Alimentazione e Ambiente (Di3A), University of Catania, 95124 Catania, Italy.

Istituto Zooprofilattico Sperimentale of Sicily, 90129 Palermo, Italy.

出版信息

Antibiotics (Basel). 2020 Dec 31;10(1):28. doi: 10.3390/antibiotics10010028.

Abstract

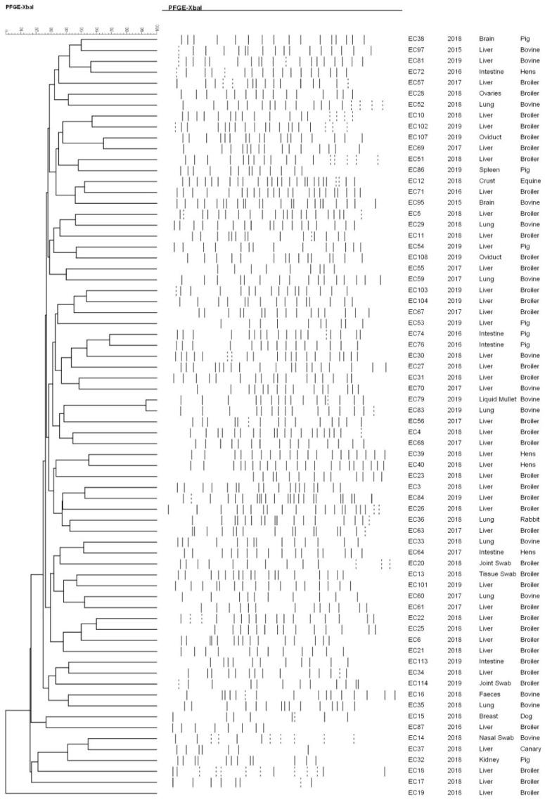
The emergence of multidrug resistance among Enterobacteriaceae in livestock poses a serious public health threat. , a usual host of intestinal microbiota, is recognized also as etiological agent of numerous infections widespread in both humans and animals. The colibacillosis is one of the most reported zoonoses worldwide, typically treated with antibiotics in the primary stages. This strategy has promoted the onset of antibiotic-resistant serotypes of , reducing the effectiveness of therapeutic treatments and contributing to antibiotic resistance spread. The current study focused on biodiversity, pathogenicity, and antibiotic resistance profile of 104 strains isolated from domestic animals in Eastern Sicily. The strains were isolated from sick animals and carcasses of six different animal species and screened for resistance against 16 antibiotic molecules, as recommended by WHO and OIE. The antibiotic resistance patterns highlighted that all strains were multi-resistant, showing resistance to at least three antibiotic classes. The highest incidence of resistance was observed against amoxicillin (100%), tylosin (97%), sulfamethoxazole (98%), and erythromycin (92%), while the lowest for colistin (8%). The pathotype characterization identified two EPEC strains and the study of genetic linkage (PFGE) showed a wide variety of profiles. The current study emphasized the wide range of multidrug resistance and genotyping profiles in isolated in Easter Sicily.

摘要

家畜中肠杆菌科细菌多重耐药性的出现对公共卫生构成了严重威胁。大肠杆菌作为肠道微生物群的常见宿主,也被认为是人和动物中广泛传播的多种感染的病原体。大肠杆菌病是全球报告最多的人畜共患病之一,在初期通常用抗生素治疗。这种策略促进了大肠杆菌耐药血清型的出现,降低了治疗效果,并导致了抗生素耐药性的传播。目前的研究集中在从西西里岛东部家畜中分离出的104株大肠杆菌的生物多样性、致病性和抗生素耐药性谱。这些菌株从六种不同动物物种的患病动物和尸体中分离出来,并按照世界卫生组织和世界动物卫生组织的建议,对16种抗生素分子进行耐药性筛选。抗生素耐药模式突出显示,所有菌株均具有多重耐药性,对至少三类抗生素表现出耐药性。观察到对阿莫西林(100%)、泰乐菌素(97%)、磺胺甲恶唑(98%)和红霉素(92%)的耐药率最高,而对黏菌素的耐药率最低(8%)。致病型特征鉴定出两株肠致病性大肠杆菌菌株,遗传连锁分析(PFGE)研究显示出广泛的图谱。目前的研究强调了在西西里岛东部分离出的大肠杆菌中广泛存在的多重耐药性和基因分型图谱。

https://cdn.ncbi.nlm.nih.gov/pmc/blobs/2ba9/7823817/c279e49eb98a/antibiotics-10-00028-g001.jpg

文献AI研究员

20分钟写一篇综述,助力文献阅读效率提升50倍。

立即体验

用中文搜PubMed

大模型驱动的PubMed中文搜索引擎

马上搜索

文档翻译

学术文献翻译模型,支持多种主流文档格式。

立即体验