Suppr超能文献

基于扩张状态观测器的卡尔曼滤波器的航空光电稳定平台高精度控制

High-Precision Control of Aviation Photoelectric-Stabilized Platform Using Extended State Observer-Based Kalman Filter.

作者信息

Wang Lu, Li Xiantao, Liu Yuzhang, Mao Dapeng, Zhang Bao

机构信息

University of Chinese Academy of Sciences, No.19, Yuquan Rd., Beijing 100049, China.

Changchun Institute of Optics, Fine Mechanics and Physics, Chinese Academy of Sciences, Changchun 130033, China.

出版信息

Sensors (Basel). 2023 Nov 15;23(22):9204. doi: 10.3390/s23229204.

Abstract

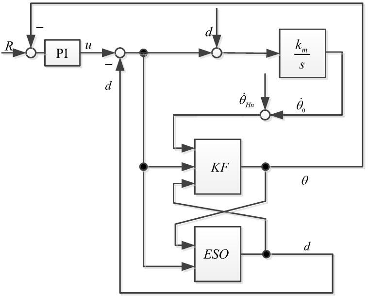
The accuracy of the line-of-sight of aviation photoelectric optoelectronic stabilization platforms is limited by two factors: external disturbance and sensor noise. An extended state observer (ESO) can effectively improve their anti-interference ability. However, due to the serious problem of gyroscope noise, further improvement of an ESO's disturbance suppression effect is limited. This article proposes a control structure that combines a Kalman filter (KF) and ESO, effectively improving upon the interference suppression ability of a traditional ESO under the influence of noise. Firstly, an ESO was used to observe the lumped disturbance of the system, and then, the observed disturbance was compensated for in the control loop. Secondly, based on the compensation servo control system, the state equation of the system was reconstructed using a Kalman filter. Finally, the reconstructed filtered state variables were iterated onto the universal state observer, achieving the observation of disturbances while filtering out sensor noise. Under the conditions of a laboratory flight simulation turntable, the line-of-sight stability accuracy level was improved under disturbance excitation. It can be seen that the combination of a Kalman filter and extended disturbance observer proposed in this project improves the ESO's anti-interference ability under the influence of noise.

摘要

航空光电稳定平台的视轴精度受外部干扰和传感器噪声两个因素的限制。扩展状态观测器(ESO)可以有效提高其抗干扰能力。然而,由于陀螺仪噪声问题严重,进一步提高ESO的干扰抑制效果受到限制。本文提出了一种将卡尔曼滤波器(KF)与ESO相结合的控制结构,有效提高了传统ESO在噪声影响下的干扰抑制能力。首先,利用ESO观测系统的集中干扰,然后在控制回路中对观测到的干扰进行补偿。其次,基于补偿伺服控制系统,利用卡尔曼滤波器重构系统的状态方程。最后,将重构后的滤波状态变量迭代到通用状态观测器上,实现干扰观测的同时滤除传感器噪声。在实验室飞行模拟转台条件下,在干扰激励下视轴稳定精度水平得到提高。可以看出,本项目提出的卡尔曼滤波器与扩展干扰观测器相结合的方法提高了ESO在噪声影响下的抗干扰能力。

https://cdn.ncbi.nlm.nih.gov/pmc/blobs/4306/10674736/8c45bb0c8da7/sensors-23-09204-g001.jpg

文献AI研究员

20分钟写一篇综述,助力文献阅读效率提升50倍。

立即体验

用中文搜PubMed

大模型驱动的PubMed中文搜索引擎

马上搜索

文档翻译

学术文献翻译模型,支持多种主流文档格式。

立即体验